跑偏開關 發布時間:2018-07-31 已獲點擊:211 詳細說明 XLPP-J-II兩級跑偏開關 兩級跑偏開關,皮跑輸送保" />

產品型號:XLPP-J-II
發布時間:2018-07-31
已獲點擊:211
詳細說明
XLPP-J-II兩級跑偏開關
兩級跑偏開關,皮跑輸送保護是我公司主營產品之一,兩級跑偏開關適用范圍 兩級跑偏開關用于常規皮帶輸送機:地下、索道支撐皮帶輸送機:輪船裝卸系統;堆垛/取料輸送機;傾斜和梭式輸送機;起重機、挖掘機,起重臂限位:裙邊給料機/輸送機:重型極限開關檢測膠帶的跑偏量,是實現膠帶機控制的自動報警和停機的保護裝置。兩級跑偏開關廣泛用于冶金、煤炭、水泥建材、采礦、電力、港埠、冶金、化工等領域的各種帶式輸送設備。,本開關質量好,價格優,做工精美。技術構造是跑偏行業中的領航者。

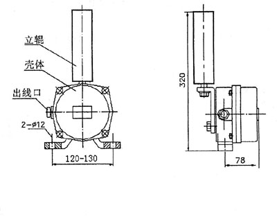
XLPP-J-I,XLPP-J-II兩級跑偏開關主要應用在冶金 、電力 、煤巖 、礦山及化工等行業的輸送系統中 ,兩級跑偏開關通用的安裝設計可使跑偏檢測裝置隨意安裝在輸送機縱梁頂部或底部位置;封閉、防腐、堅固的鑄鋁外殼。防護標準IP65,可在惡劣環境長期工作;兩級跑偏開關不需要在拆除動作桿下,即可拆掉蓋板進行維修;進口動作桿軸承,可長時在轉速4000轉/分下運作;動作角度12°時報警觸點動作,動作角度30°時,即為停機信號輸出。,是輸送機自動化控制不可缺少的傳感元件,本產品可用于輸送機膠帶跑偏的檢測,防止由于膠帶跑偏而造成物料溢出等故障。本產品由于安裝方便、開關性能可靠,在輸送機膠帶中得到廣泛應用。
工作原理:
本開關的工作過程是輸送機膠帶跑偏時,膠帶觸碰開關立輥,當立輥偏轉至Ⅰ級動作角度時,Ⅰ級開關動作,并輸出信號報警。如果膠帶繼續跑偏使開關的立輥達到Ⅱ級動作角度時,Ⅱ級開關發出停機信號。如果將其接至控制線路中即可實現自動停機。
外型結構:

安裝與接線:
1.將跑偏開關固定在支架上,然后焊接在膠帶機架上;
2.立輥軸線與膠帶平面相垂直,立輥與膠帶邊緣距離為50~100㎜
3.膠帶位于立輥下端1/3處;
4.每100m膠帶可安裝三對跑偏開關。

跑偏開關型號
HFKPT1-12-30、HFKPT1-20-35、
XLPP-12-30、XLPP-20-45、
DPK-12-30、DPK-20-35、
DPK-10-45、LLD1-S、
JPK2-S、JPKJ-S、
JSB-KPP-S、LLD1-Z
HHTSD-1、XLPP-J-I、
XLPP-J-II
本公司系列產品
兩級跑偏開關
防爆跑偏開關
雙向拉繩開關
拉線開關
緊急停機開關
打滑開關
防打滑檢測裝置
速度檢測器
欠速開關
料流檢測器
阻旋料位開關
縱向撕裂開關
速度傳感器
,輸送機在運行中,當皮帶跑偏且與開關立輥接觸時,立輥自轉,若跑偏量繼續加大,則擠壓立輥發生偏移。一級開關信號用于報警,如果將此信號與跑調整裝置相接,即可實現不停機狀態下的跑偏自動調整。二級兩級跑偏開關信號用于停機,將此信號接至控制線路中,即可實現重度跑偏狀態下的自動停機。當故障排除后,膠帶離開立輥正常運轉時,立輥可自動復位。
Copyright © 山東卓信機械有限公司 版權所有 魯ICP備12019670號
全國服務電話:0537-2839666 傳真:0537-2228358 百度地圖 打滑開關
公司地址:山東省濟寧高新經濟技術開發區 音叉開關